TBB HIGH VOLTAGE PARALLEL CAPACITOR DEVICE

  1. Home
  2. Product

TBB HIGH VOLTAGE PARALLEL CAPACITOR DEVICE

Date: 2024-05-20 20:52:36
Category: High voltage switchgear series
★ OVERVIEW

The TBB series high-voltage parallel capacitor device (hereinafter referred to as the device) is suitable for AC 50Hz, three-phase 10kV power series.

It is used to improve power factor and adjust network voltage, thereby improving the active output of power supply equipment and reducing line losses.

This device is indoor (outdoor) type.

★ MAIN TECHNICAL DATA

The rated working voltage is 10kV and can operate for a long time at 1.1 times the rated voltage.

When the root mean square value does not exceed 1.3Un, the device can operate continuously at rated frequency, rated sinusoidal voltage, and the current generated by no transition state.

The device is equipped with overcurrent, overvoltage, undervoltage, and other protections for system faults.

The device provides protection for internal faults in capacitors. In addition to having a single fuse for protection, different relay protections are also provided depending on the main wiring form.

The device design and processing shall comply with GB50227-1995 "Design Specification for Parallel Capacitor Devices" and J8711-1993 "High Voltage Parallel Capacitor Devices."

MODEL AND MEANING
STRUCTURE INTRODUCTON
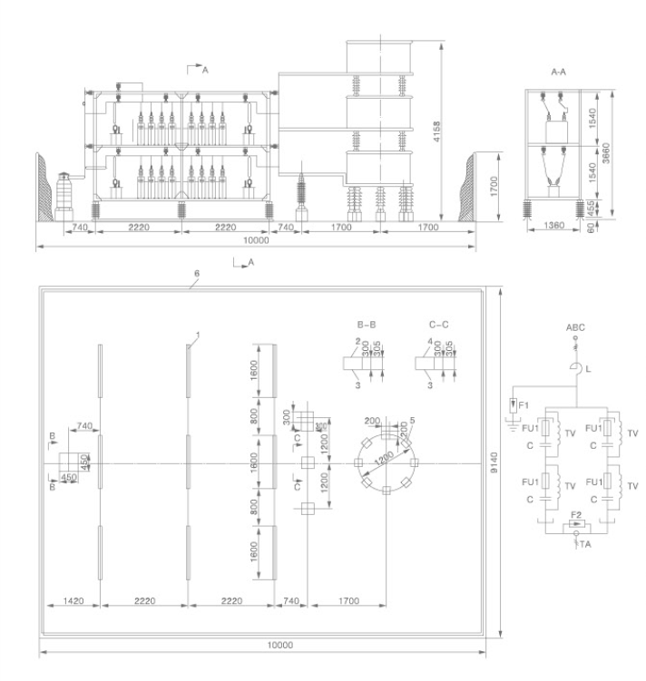
CAPACITOR DEVICE LAYOUT
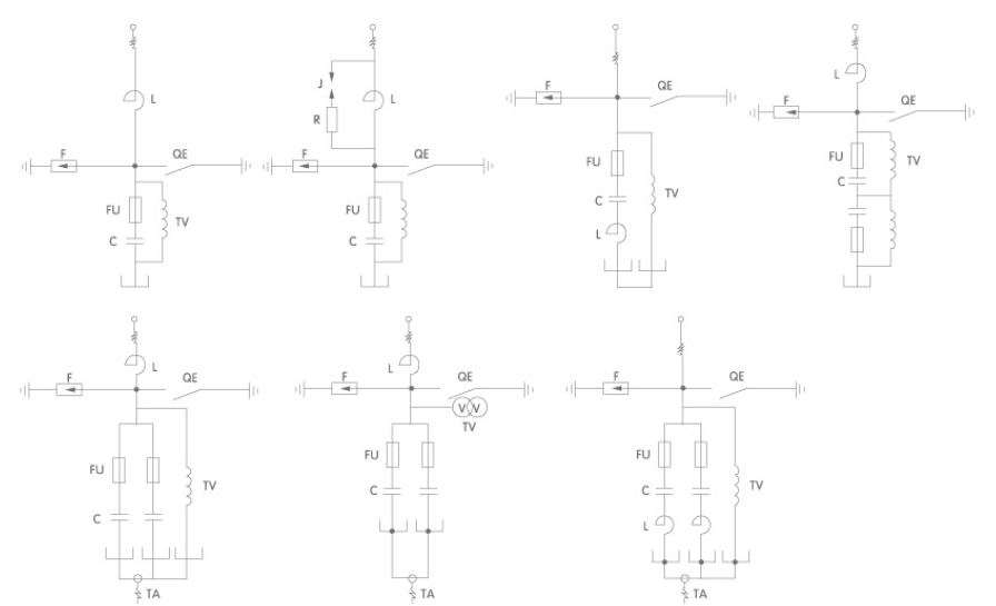
PRIMARY LINE SCHEME

The typical primary circuit scheme of this device is shown in Figure 1,where the grounding switch is installed according to user requirements, When installing, place it inside the discharge cabinet and change the depth dimension of the cabinet to 1200mm.

Contact with us

Thank you
Error occurred while sending email. Please try again later.